优势特点:TBI-SFH1210,丝杆直径12mm,导程10mm,端循环滚珠螺母,TBI滚珠丝杠与支承单元、螺母座配套使用就能直接装配。从而能简单地获得高精度的进给传动装置。
型号:SFH1210
TBI-SFH1210,丝杆直径12mm,导程10mm,端循环滚珠螺母,TBI滚珠丝杠与支承单元、螺母座配套使用,就能直接装配。从而能简单地获得高精度的进给传动装置。
|
型號 |
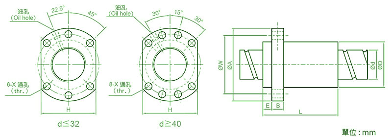
軸徑 d |
導程 I |
珠徑 Da |
丝杆尺寸 |
動額定負荷 Ca |
靜額定負荷 Coa |
剛性 kgf/μm |
|||||||||
|
D |
A |
E |
B |
L |
W |
H |
X |
Q |
n |
|||||||
|
SFH01210-2.8 |
12 |
10 |
2.5 |
24 |
40 |
5 |
10 |
45 |
32 |
30 |
4.5 |
|
2.8x1 |
642 |
1287 |
19 |
随着社会的不断发展,城市工业化也是发展迅速,在工业化的城市里面少不了的当然是机械行业了,在机械行业中那些高精密的工作,大多数也是由精度比较高的滚珠丝杆来完成。那么随着这些的变化,滚珠丝杆的出现给我我们极大的帮助,市面上滚珠丝杆出现越多我们就越分辨不出它的质量。那么我们就为大家分析一下如何来衡量上银直线滑轨HGH30HA的质量。
TBI滚珠丝杆式机械加工过程中很重要的一个部件,因此,在质量上需要检测过关,否则就会影响到元件加工效果。下面,我们可以从直线滚珠丝杆的内部结构来进行剖析,从而看看如何衡量直线滚珠丝杆的质量。
一般来说,直线滚珠丝杆是由滚珠丝杆、护套、 集电器、吊挂器、连接器等零部件组成的,可以根据不同的元件要求来进行配置膨胀段。首先我们要看滚珠丝杆碳刷使用寿命,一般这个组件是属于易耗品,在行驶距离就会影响到设备的维护周期。
TBI滚珠丝杆应用机械及设备
机械加工中心、工具机、精密加工、重型切削机床、大理石切割机、磨床、射出机、冲床、自动化装置、运输设备、量测仪器。
下一篇:TBI高防尘丝杠、SFH1605











