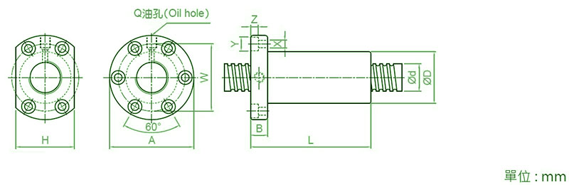
优势特点:OFIR1605双螺母滚珠丝杆,轴直径16mm,导程5mm,法兰安装孔间距39mm,螺母使用直径3.175mm的钢球,TBI双螺母滚珠丝杆,螺母总体长度较长,负载的负荷量也随之增加,用户在选型时要根据设备负载来选用相对应的丝杆型号,才能发挥滚珠丝杆的性能。
型号:OFIR1605
OFIR1605双螺母滚珠丝杆,轴直径16mm,导程5mm,法兰安装孔间距39mm,螺母使用直径3.175mm的钢球,TBI双螺母滚珠丝杆,螺母总体长度较长,负载的负荷量也随之增加,用户在选型时要根据设备负载来选用相对应的丝杆型号,才能发挥滚珠丝杆的性能。
	
| 
				 型號  | 
			
				 軸徑 d  | 
			
				 導程 I  | 
			
				 珠徑 Da  | 
			
				 螺帽尺寸  | 
			
				 動額定負荷 Ca  | 
			
				 靜額定負荷Coa  | 
			
				 剛性kgf/ μm  | 
		||||||||||
| 
				 D  | 
			
				 A  | 
			
				 B  | 
			
				 L  | 
			
				 W  | 
			
				 H  | 
			
				 X  | 
			
				 Y  | 
			
				 Z  | 
			
				 Q  | 
			
				 n  | 
		|||||||
| 
				 OFI01605-4  | 
			
				 16  | 
			
				 5  | 
			
				 3.175  | 
			
				 30  | 
			
				 49  | 
			
				 10  | 
			
				 75  | 
			
				 39  | 
			
				 34  | 
			
				 4.5  | 
			
				 8  | 
			
				 4.5  | 
			
				 M6  | 
			
				 1x8  | 
			
				 1380  | 
			
				 3052  | 
			
				 44  | 
		
	
	OFI01605-4滚珠丝杠的加工:
滚珠丝杠分为磨制(研磨)滚珠丝杠,轧制滚珠丝杆。
轧制丝杆是冷轧出来的,精度很低,好点的生产商勉强可以做到C5级,但有一个好处就是制作周期短,交期快。研磨级丝杠制作工艺比较复杂,是使用超精密研磨机床磨制出来的,精度可以达到最高等级C0级,但交期慢!
滚珠丝杠副在使用时应注意一下事项
1、滚动螺母应在有效行程内运动,必要时要在行程两端配置限位,以避免螺母越程脱离丝杠轴而使滚珠脱落。
2.、滚珠丝杠副由于传动效率高,不能自锁,在用于垂直方向传动时,如部件重量未加平衡,必须防止传动停止或电机失电后,因部件自重而产生的逆传动,防逆传动方法可用涡轮螺杆传动,液压式电器制动器及超越离合器等。
TBI双螺母滚珠丝杆型号
上一篇:没有了








