优势特点:OFU02505型高速滚珠丝杆轴径25mm,导程5mm,螺母法兰安装孔间距51mm,导程虽小,但具备高负载能力。TBI滚珠丝杆材料从选料到加工成都经过严格的检测的程序,所以TBI滚珠丝杆能达到长久的运行寿命。
型号:OFU02505
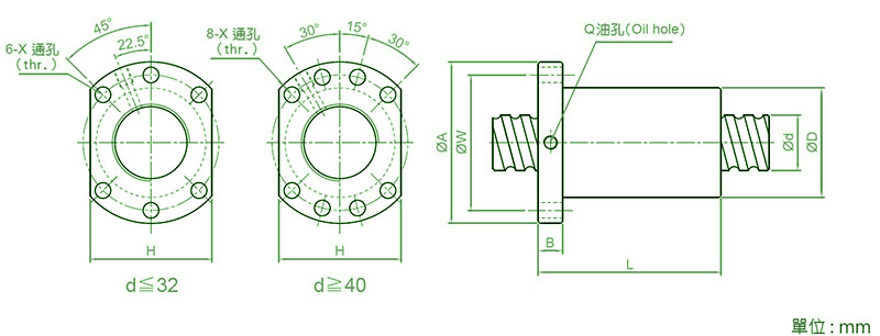
OFU02505型高速滚珠丝杆轴径25mm,导程5mm,螺母法兰安装孔间距51mm,导程虽小,但具备高负载能力。TBI滚珠丝杆材料从选料到加工成都经过严格的检测的程序,所以TBI滚珠丝杆能达到长久的运行寿命。
|
型號 |
軸徑 d |
導程 I |
珠徑 Da |
螺帽尺寸 |
動額定負荷 Ca |
靜額定負荷Coa |
剛性 kgf/μm |
||||||||
|
D |
A |
B |
L |
W |
H |
X |
Q |
n |
|||||||
|
OFU02505-4 |
25 |
5 |
3.175 |
40 |
62 |
10 |
86 |
51 |
48 |
6.6 |
M6 |
1x8 |
1724 |
4904 |
62 |
台湾TBI滚珠丝杆材料
丝杆材料的选择对丝杆寿命、运行精度、整体质量和成本等的影响很大。丝杆加工时要承受高压、高温、摩擦、冲击和振动等作用。因此,丝杆材料应具备如下一些基本性能:
(1) 硬度和耐磨性。丝杆材料的硬度必须高于工件材料的硬度,一般要求在60HRC以上。丝杆材料的硬度越高,耐磨性就越好。
(2) 强度和韧性。丝杆材料应具备较高的强度和韧性,以便承受切削力、冲击和振动,防止丝杆脆性断裂和崩刃。
(3) 耐热性。丝杆材料的耐热性要好,能承受高的切削温度,具备良好的抗氧化能力。
(4) 工艺性能和经济性。丝杆材料应具备好的锻造性能、热处理性能、焊接性能;磨削加工性能等,而且要追求高的性能价格比。
TBI-OFU系列滚珠丝杆型号
上一篇:TBI丝杆\OFUR2005











