优势特点:型号:SFNIR2510、丝杆外径:25、导程:10、珠径:3.175、螺母外径:40、法兰直径:62、、法兰的厚度:12、螺母的长度:62、安装孔之间的距离:51、法兰的宽度:48、珠圈数:3.8×1、动额定负荷:1638、静额定负荷:4633、刚性:45。
型号:SFNIR2510

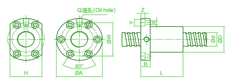
单位:mm
|
型號 |
軸徑 |
導程 |
珠徑 |
Dimension |
動額定負荷 Ca |
靜額定
負荷 |
剛性 |
||||||||||
|
D |
A |
B |
L |
W |
H |
X |
Y |
Z |
Q |
n | |||||||
|
SFNI02510-4 |
25 |
10 |
4.726 |
46 |
72 |
12 |
80 |
58 |
52 |
6.5 |
11 |
6.5 |
M6 |
1*4 |
2954 |
7295 |
51 |
TBI滚珠丝杠
滚珠丝杠又称为球型丝杠、导螺杆等,由螺杆、螺母和滚珠组成。
它的功能是将旋转运动转化成直线运动,或将扭矩转换成轴向反复作用力,同时兼具高精度、可逆性和高效率的特点,能满足各领域上不同的使用要求。
TBI滚珠丝杆特点
滚珠丝杠在使用中具有很多优点如:高效率、可逆性、零背隙、高刚性、导程精度高等优点,与传统丝杠相比,滚珠丝杠在螺杆与螺帽直接,加入钢珠将滑动摩擦传动以滚珠滚动运动方式取代,有效的降低了摩擦损耗,有助于提高效率及精度。
导致SFNIR2510滚珠丝杠间隙隙太大的主要原因有哪些呢?下面小编给大家说说吧!
1、无预压或预压缺乏无预压的滚珠丝杠笔直放置时,螺帽会因自身的分量而形成转动而下滑;无预压的丝杆会有适当的背隙存在,因而只能用于较小操作阻力的机器,但首要的顾忌是定位精度较不要求。滚珠丝杆于不同的应用上决定正确的预压量,并于出货前调好预压;因而当您订购滚珠丝杆前请确实熟悉设备的操作情况。
2、改变位移太大
(1)热处理不妥、硬化层太薄、硬度分佈不均或原料太软钢珠、螺帽、丝杆的标准硬度分别为HRC62~66、HRC58~62、HRC56~62。
(2)不妥的规划:细长比(Slenderratio)太大…等丝杆的细长比越小刚性越高,细长比的边界有必要在60以下假如细长比太大丝杆会发生自重下垂。
TBI-SFNI系列滚珠丝杆型号












